Welcome to Taizhou Yuexin Hydraulic Technology Co., Ltd
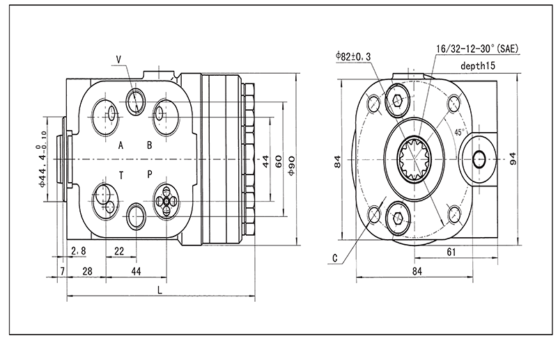
Drawing information



The 101S series products are widely used in the main engines of various industrial and agricultural self-propelled machinery and steering systems for ships, achieving the action of steering cylinders with small input force and controlling large resistance;
Easy to operate, flexible, safe and reliable;
The integrated one-way valve can prevent the reverse flow of system pressure oil and prevent the occurrence of "tampering" during operation;
The integrated pressure control valve can control the working pressure and buffering pressure of the steering system.
All 10 series products are integrated with inlet one-way valves; Each series can be further divided into two series based on whether they are integrated with pressure valves, namely default and with S; The default representation does not include an integrated pressure valve, and S represents an integrated pressure valve.
For open core non reactive products, the integrated safety valve and buffer valve are represented by code 1, and only the integrated safety valve is represented by code 4.
For specific product information, please contact sales and use the actual communication results as the standard.