Welcome to Taizhou Yuexin Hydraulic Technology Co., Ltd
SHIMADZU SGP1 Series Gear Pump Product Details
Application scenarios:
Widely used in industries such as lifting and transportation machinery, road machinery, environmental protection machinery, and light industry machinery. This pump has become the preferred accessory for various environmentally friendly equipment.
Model Description

Performance parameters

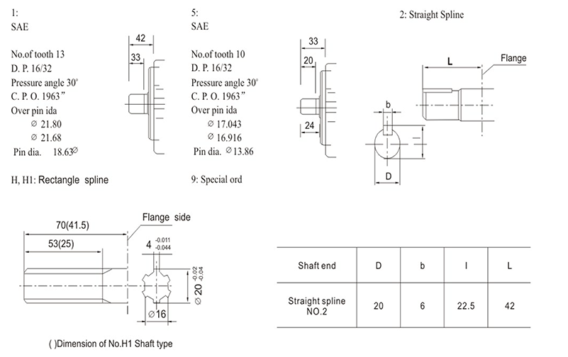
Outline dimension diagram




For specific product information, please contact sales and use the actual communication results as the standard.